品牌:耘农智慧
起订:1件
发货:3天内
发送询价
产品简介
WCD3428 硝酸盐传感器是一款基础型常规水质监测数字传感器;采用工业在线电极,PVC膜的离子选择电极制作而成,选择性的测试水中的铵离子含量,响应速度快,测量准确。内置温度传感器,可以自动温度补偿,适合在线长期监测环境使用。
产品特点
1.数字传感器,直接输出Rs-485数字信号,支持MODBUS/RTU
2.内置温度传感器,可以自动温度补偿
3.创新的离子膜头可更换,使用更换膜头维护成本低
4.3/4 “ NPT上下安装螺纹设计,便于安装
5.传感器功耗低,内部电路抗干扰设计
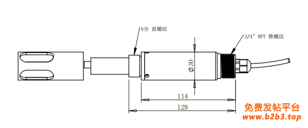
尺寸图

技术参数
名称 参数
输出信号 支持Rs-485,MODBUS/RTU协议
测量方法 覆膜离子选择法
量程 0~10.0mg/L或 0~100.0mg/L
(pH范围4~10)
精度 ±5%F.S.或±3mg/L 以大者为准
分辨率 0.01mg/L(0~10.00mg/L)或
0.1mg/L(0~100.0mg/L)
工作条件 0~40℃;<0.2MPa;
校准方式 两点校准
响应时间 30秒 T90
温度补偿 自动温度补偿(Pt100)
电源 12或24VDC±10%,10mA;
防护等级 IP68;水深20米;
使用寿命 传感器1年或以上;膜头6个月
线缆长度 5米(默认),可定制
传感器外壳材料 POM;可定制
安装注意及线缆定义
1.安装

注意:传感器安装保持至少倾斜角度30°以上。
2.电气连接
棕色线—电源线(12或24VDC)
黑色线—地线(GND)
蓝色线—485A
白色线—485B
裸露线—屏蔽层
传感器线缆: 4 线 AWG-24 或 AWG-26 屏蔽线。
外径:6.0-6.2mm;耐弯曲双绞屏蔽电缆。
校准
若量程为0-10ppm,则在1ppm中进行零点校准,待数据稳定后校准零点,数据稳定大概需要15~30分钟;然后在10ppm中进行斜率校准,待数据稳定后校准斜率,数据稳定大概需要15~30分钟;
若量程为0-100ppm,则在10ppm中进行零点校准,待数据稳定后校准零点,数据稳定大概需要15~30分钟;然后在100ppm中进行斜率校准,待数据稳定后校准斜率,数据稳定大概需要15~30分钟;
若在执行上述流程中出现数值不稳定的现象,则继续浸泡24小时。
校准指令请查看MODBUS RTU通讯协议操作手册。
注意:传感器出厂前已校准,若非超出测量误差,不宜随意校准。
维护及注意事项
1.使用和保养
新电极或久置不用的电极在使用前,必须在蒸馏水中浸泡半小时,然后浸在1ppm标准缓冲液中24小时,充分活化膜头。
电极膜头使用蒸馏水清洗,不要用硬物触碰膜头,避免划伤;测量时膜头距离底部保持至少2cm。
电极短期不用请放入1ppm硝酸根离子溶液中浸泡保存。
电极几天不用请使用内置保护液的外壳保存,下次使用前进行24小时1ppm溶液浸泡活化。
避免长期浸泡在蒸馏水或蛋白质溶液中,并防止与有机硅油脂接触。使用时间较长的电极,膜头会变成半透明或附有沉积物,此时可用蒸馏水(或去离子水)冲洗。
电极使用时间较长,测量数据漂移,请进行校准。
电极长期不用时膜头干燥保存。
配件和备件
说明 数量(pcs)
传感器 1
标准液 1
说明书 1
合格证 1
通讯协议
1.Modbus协议简介
Modbus协议是一种已广泛应用于当今工业控制领域的通用通讯协议。通过此协议,控制器相互之间、或控制器经由网络(如以太网)可以和其它设备之间进行通信。Modbus协议使用的是主从通讯技术,即由主设备主动查询和操作从设备
A)主设备向从设备发送请求
B)从设备分析并处理主设备的请求,然后向主设备发送结果
C)如果出现任何差错,从设备将返回一个异常功能码
Modbus RTU通讯模式帧格式
设备地址 功能码 数据 CRC低八位 CRC高八位
8bit 8bit n*8bit 8bit 8bit
使用RTU模式,消息发送至少要以3.5个字符时间的停顿间隔开始。传输的第一个域是设备地址。网络设备不断侦测网络总线,包括停顿间隔时间内。当第一个域(地址域)接收到,每个设备都进行解码以判断是否发往自己的。在最后一个传输字符之后,一个至少3.5个字符时间的停顿标定了消息的结束。一个新的消息可在此停顿后开始。
整个消息帧必须作为一连续的流转输。如果在帧完成之前有超过1.5个字符时间的停顿时间,接收设备将刷新不完整的消息并假定下一字节是一个新消息的地址域。
2.信息帧格式
本传感器Modbus通信默认的数据格式为:
MODBUS-RTU
波特率 9600(默认)
设备地址 1(默认)
数据位 8位
奇偶校验 无
停止位 1位
a)功能码 03H: 读寄存器值
主机发送
1 2 3 4 5 6 7 8
ADR 03H 起始寄存器高字节 起始寄存器低字节 寄存器数高字节 寄存器数低字节 CRC低字节 CRC高字节
第1字节ADR:从机地址码(=001~254)
第2字节03H:读寄存器值功能码
第3、4字节:要读的寄存器开始地址
要读FCC下挂仪表,
第5、6字节:要读的寄存器数量
第7、8字节:从字节1到6的CRC16校验和
从机回送:
1 2 3 4、5 6、7 M-1、M M+1 M+2
ADR 03H 字节总数 寄存器数据1 寄存器数据2 …… 寄存器数据M CRC低字节 CRC高字节
第1字节ADR:从机地址码(=001~254)
第2字节03H:返回读功能码
第3字节 :从4到M(包括4及M)的字节总数
第4到M字节:寄存器数据
第M+1、M+2字节:从字节1到M的CRC16校验和
当从机接受错误时,从机送回:
1 2 3 4 5
ADR 83H 信息码 CRC低字节 CRC高字节
第1字节 ADR:从机地址码(=001~254)
第2字节 83H:读寄存器值出错
第3字节 信息码:01 – 功能码错
03 – 数据错
第4、5字节:从字节1到3的CRC16校验和
b)功能码06H: 写单个寄存器值
主机发送
1 2 3 4 5 6 7 8
ADR 06 寄存器高字节地址 寄存器低字节地址 数据高字节 数据低字节 CRC码
低字节 CRC码
高字节
当从机接收正确是,从机回送:
1 2 3 4 5 6 7 8
ADR 06 寄存器高字节地址 寄存器低字节地址 数据高字节 数据低字节 CRC码
低字节 CRC码
高字节
当从机接收错误时,从机回送:
1 2 3 4 5
ADR 86H 错误码信息码 CRC码
低字节 CRC码
高字节
第1字节ADR:从机地址码(=001~254)
第2字节 86H:写寄存器值出错功能码
第3字节 错误码信息码:01 – 功能码错
03 – 数据错
第4、5字节:从字节1到3的CRC校验和
3.数据结构类型
整型
无符号整型(unsigned short)
数据由两位整型组成。
XXXX XXXX XXXX XXXX
Byte1 Byte0
浮点型(float)
浮点型,符合IEEE 754(单精度);
数据包括 1 符号 bit, 8-bit 指数, 和 一个 23-bit 尾数 。
XXXX XXXX XXXX XXXX XXXX XXXX XXXX XXXX
Byte3 Byte2 Byte1 Byte0
符号位 Exp指数位 f小数位
4.寄存器地址
寄存器地址
寄存器地址 名称 读/写 说明 寄存器个数
(字节) 数据类型
0x0100 温度值 R
读 ℃ 值x10(如:25.6℃的温度显示为256,默认1位小数。) 1(2字节) unsigned short
0x0101 浓度值 R
读取 量程为 0~10mg/L mg/L值x100(如:1.62mg/L的浓度值显示为162,默认2位小数。)
量程为 0~100mg/L mg/L值x10(如:16.2mg/L的浓度值显示为162,默认1位小数。) 1(2字节) unsigned short
0x0107 湿度测量 R
读取 %RH 值x10(如:11.3%相对湿度显示为113,默认1位小数。) 1(2字节) unsigned short
0x1000 温度校准 R/W
读取/写入 温度校准:写入数据为实际温度值x10;读出数据为温度校准偏移量x10。 1(2字节) unsigned short
0x1001 零点校准 R/W
读取/写入 量程为 0~10mg/L 写入数据为标准溶液 实际值×100;(零点1ppm)
量程为 0~100mg/L 写入数据为标准溶液 实际值×10;(零点10ppm) 1(2字节) unsigned short
0x1003 斜率校准 R/W
读取/写入 量程为 0~10mg/L 写入数据为标准溶液 实际值×100;(斜率点10ppm)
量程为 0~100mg/L 写入数据为标准溶液 实际值×10;(斜率点100ppm) 1(2字节) unsigned short
0x2000 传感器地址 R/W
读取/写入 默认为1,数据范围1-127。 1(2字节) unsigned short
0x2003 波特率设置 R/W
读取/写入 默认为9600。写入0为4800;写入1为9600;写入2为19200。 1(2字节) unsigned short
0x2020 恢复出厂设置 W
写 校准值恢复默认值,写入数据为0。注意,传感器重置后需再次校准方可使用。 1(2字节) unsigned short
5.命令示例
默认寄存器:
a)更改从机地址:
地址:0x2000(42001)
寄存器个数:1
功能码:0x06
默认传感器地址:01
更改传感器的Modbus设备地址,将设备地址01改为06,范例如下:
发送指令:01 06 20 00 00 06 02 08
回应:01 06 20 00 00 06 02 08;注:地址改为06,掉电保存。
b)波特率:
地址:0x2003(42004)
寄存器个数:1
功能码:0x06
默认值: 1(9600bps)
支持的值:0-2(4800-19200bps)
波特率可上位机设置更改,更改后不需重启即可工作,掉电后波特率保存上位机设置。波特率支持4800,9600,19200。整数值分配的波特率如下:
整数 波特率
0 4800 bps
1 9600 bps
2 19200 bps
发送指令:01 06 20 03 00 02 F3 CB
回应:01 06 20 03 00 02 F3 CB注:波特率改为了19200bps,掉电保存。
功能寄存器:
a)测量温度指令:
地址:0x0100(40101)
寄存器个数:1
功能码:0x03
读取示例值:19.2℃
发送指令:01 03 01 00 00 01 85 F6
回应:01 03 02 00 C0 B8 14
返回十六进制无符号整型数据, 温度值=Integer/10,保留1位小数位。
b)测量氨氮值指令:
地址:0x0101(0x40102)
寄存器个数:1
功能码:0x03
量程为 0~10mg/L读取示例值:2.56ppm
发送指令:01 03 01 01 00 01 D4 36
回应:01 03 02 01 00 B9 D4
寄存器返回十六进制无符号整型数据,浓度值=Integer/100,保留2位小数位。
量程为 0~100mg/L读取示例值:30.0ppm
发送指令:01 03 01 01 00 01 D4 36
回应:01 03 02 01 2C B8 09
寄存器返回十六进制无符号整型数据,浓度值=Integer/10,保留1位小数位。
c)连续读取温度和氨氮值指令:
地址:0x0100(40101)
寄存器个数:2
功能码:0x03
量程为 0~10mg/L读取示例值:温度19.2℃和NH值2.56ppm
发送指令:01 03 01 00 00 02 C5 F7
回应:01 03 04 00 C0 01 00 FB 9F
寄存器返回十六进制无符号整型数据,温度值=Integer/10,保留1位小数位
寄存器返回十六进制无符号整型数据,浓度值=Integer/100,保留2位小数位。
量程为 0~100mg/L读取示例值:温度19.2℃和NH值30.0ppm
发送指令:01 03 01 00 00 02 C5 F7
回应:01 03 04 00 C0 01 2C FA 42
寄存器返回十六进制无符号整型数据,温度值=Integer/10,保留1位小数位
寄存器返回十六进制无符号整型数据,浓度值=Integer/10,保留1位小数位。
d)测量湿度指令:
地址:0x0107(40108)
寄存器个数:1
功能码:0x03
读取示例值:相对湿度40%
发送指令:01 03 01 07 00 01 34 37
回应:01 03 02 01 90 B9 B8
寄存器返回十六进制无符号整型数据,湿度值=Integer/10,保留1位小数位。
e)校准指令:
温度校准
地址:0x1000(41001)
寄存器个数:1
功能码:0x06
校准示例:温度25.8℃下校准
发送指令:01 06 10 00 01 02 0D 5B
回应:01 06 10 00 01 02 0D 5B
传感器需要在恒定温度环境下,温度示数不再波动后校准。
零点校准
地址:0x1001(41002)
寄存器个数:1
功能码:0x06
校准示例:
0-10量程写入数据为所用标准液浓度x100的数值。读出的数据为零点校准值对应的mV值x100。
量程0~10ppm为例: 1ppm/L标准液中校准零点:
发送指令:01 06 10 01 00 64 DD 21
回应:01 06 10 01 00 64 DD 21
0-100量程写入数据为所用标准液浓度x10的数值。读出的数据为零点校准值对应的mV值x100
量程0~100ppm为例: 10ppm/L标准液中校准零点:
发送指令:01 06 10 01 00 64 DD 21
回应:01 06 10 01 00 64 DD 21
斜率校准
地址:0x1003(41004)
寄存器个数:1
功能码:0x06
校准示例:
0-10量程写入数据为所用标准液浓度x100的数值。读出的数据为斜率校准值对应的mV值x100。
量程0~10ppm为例: 10ppm/L标准液中校准斜率:
发送指令:01 06 10 03 03 E8 7D B4
回应:01 06 10 03 03 E8 7D B4
0-100量程写入数据为所用标准液浓度x10的数值。读出的数据为斜率校准值对应的mV值x100。
量程0~100ppm为例: 100ppm/L标准液中校准斜率:
发送指令:01 06 10 03 03 E8 7D B4
回应:01 06 10 03 03 E8 7D B4
质保及售后:
保修承诺:产品自交付期起质保期为12个月(因未按照相应的技术要求操作或其他的人为行为导致产品发生问题除外)。
售后承诺:用户可以通过电话咨询有关技术问题,并得到明确的解决方案。若属于产品本身质量问题可返厂维修或更换。
